Stocker Stahl AG Logo

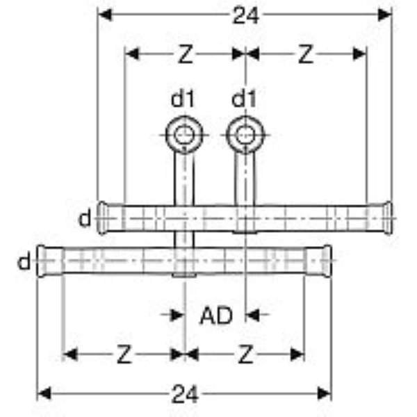
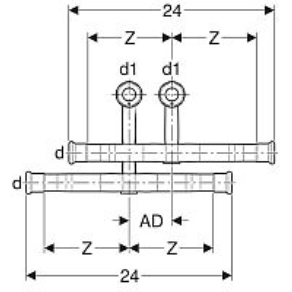
Anschluss-T-Stücke MAPRESS Heizung, 1.0034

Beschreibung:

Geberit Mapress C-Stahl Set Anschluss-T-Stücke für Vor- und Rücklauf, mit
Anschlussverschraubung für Eurokonus

Verwendungszwecke:
Für Heizungswasser
Für Kühlwasser ohne Frostschutzmittel
Für Kühlwasser mit Frostschutzmittel
Für Heizung und Kühlung
Eigenschaften:
Pressindikator
Unverpresst undicht
Vor- und Rücklauf wechselbar
Aussen verzinkt
Dichtring aus CIIR schwarz
Pressmuffe mit transparentem Schutzstopfen
Anschlussverschraubung für Geberit Mapress Edelstahl
Systemrohre 1.4401
Anschlussverschraubung für Geberit Mapress C-Stahl
Systemrohre
Anschlussverschraubung für Kupferrohre blank, vernickelt
und verchromt
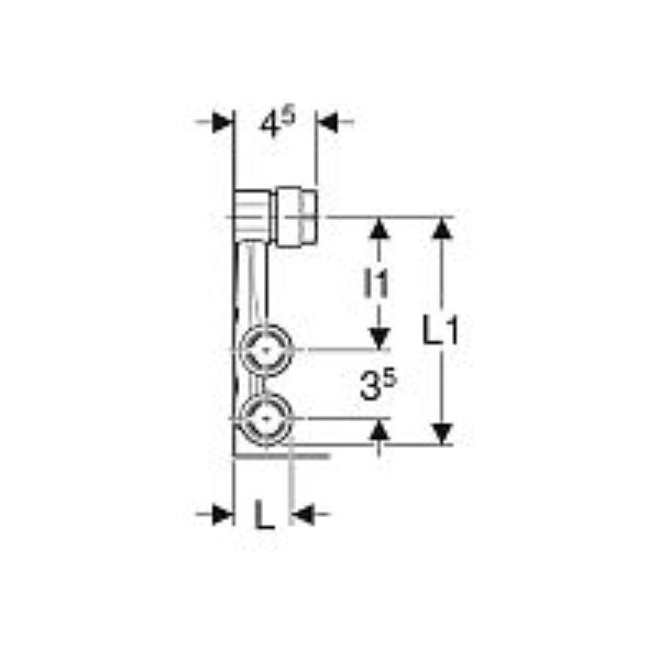
Montage vollständig vor der Wand
Technische Daten:
Werkstoff Stahl unlegiert 1.0034 E195 (EN 10305)
Lieferumfang
Anschluss-T-Stück mit Anschluss kurz
Anschluss-T-Stück mit Anschluss lang
2 Anschlussverschraubungen für Eurokonus G 3/4"