Anmelden
E-Mail
Anmelden
Zugang anfordern
Passwort vergessen
Stocker Stahl AG
Alle...
Sanitär
Heizung
Brandschutz
WebShop
Sanitär
Heizung
Befestigung
Brandschutz
Isolationen
Stocker AG Nord
Firma
Service
Team
Stellenangebote
Footer Menu
AGB
Datenschutz
Impressum
Hauptnavigation:
WebShop
Sanitär
Heizung
Befestigung
Brandschutz
Isolationen
Stocker AG Nord
Firma
Service
Team
Stellenangebote
Footer Menu
AGB
Datenschutz
Impressum
Sie sind hier:
Home
WebShop
Heizung
Geberit Mapress C-Stahl
Zubehör
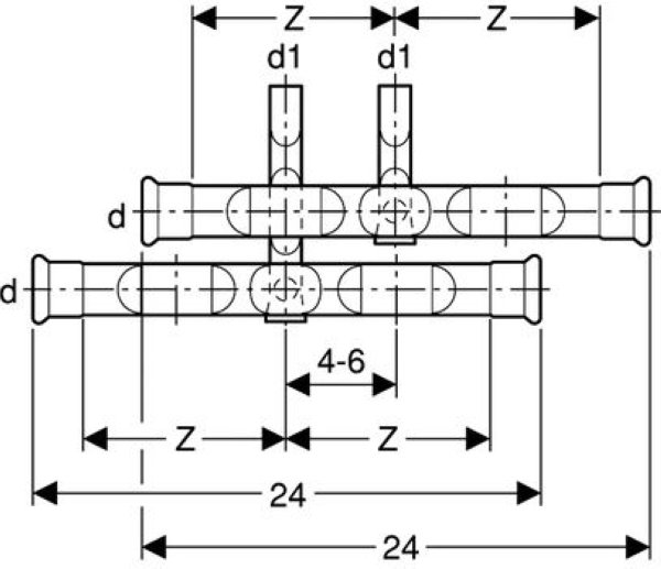
Heizkörperanschlüsse MAPRESS Heizung, 1.0034
Heizkörperanschlüsse MAPRESS Heizung, 1.0034
Beschreibung:
für Vor- und Rücklauf
galvanisch verzinkt
Artikel
Zuletzt angesehen
×