Stocker Stahl AG Logo

Kugelhahnen MAPRESS Heizung

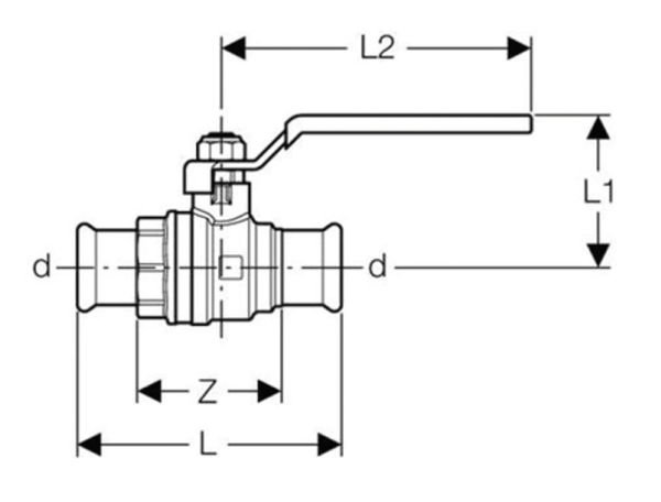
Beschreibung:

für Aufputz-Montage

nicht geeignet für Trinkwasserleitungen und Gasinstallationen

direkt verpressbare Anschlüsse

unverpresst undicht

Kugel aus verchromtem Messing

Volldurchströmt

PN 16


Werkstoff Messing