Stocker Stahl AG Logo

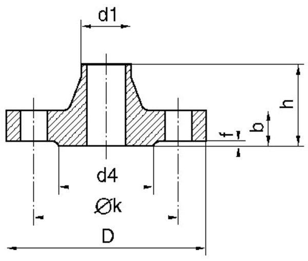
Vorschweissflansche PN 6

Beschreibung:

für Schmelzschweissung

mit Dichtungsleiste

gestempelt

schwarz


PN 6 Bar

 

Downloads:

Bild Technische Angaben