Stocker Stahl AG Logo

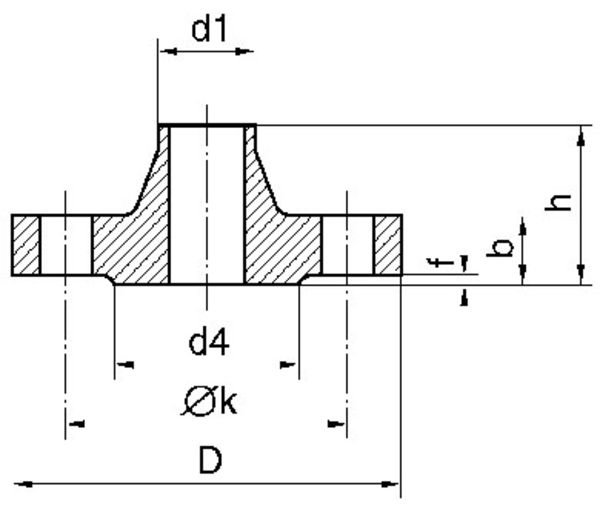
Vorschweissflansche PN 16

Beschreibung:

für Schmelzschweissung

mit Dichtungsleiste

gestempelt

schwarz


PN 16 Bar

 

Downloads: 

Bild Technische Angaben